Skip to main content

Simple to Specify Clamp icon Easy to Order Clamp icon Rapid to Assemble

172M - Offset singolo girevole maschio

Warning: To provide sufficient stability, whole structures must not be made from swivel fittings alone.

Image shows 2 fittings

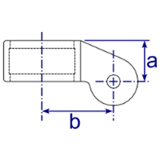
Dati del prodotto e dimensioni

Dimensione a (mm) b (mm) Peso (kg) Box Qty* Part No
  C42   30   51   0.30   140   172M-C42
  D48   32   56   0.31   80   172M-D48

* Fittings are sold individually and do not need to be bought in box quantities. Box quantities may be subject to change without prior notice.

Figures given as guidance only, dimensions and weights are subject to manfacturing tolerances and may be altered without prior notice.

Do not perform any pre-drilling, tube cutting, casting uprights or any other dimensionally critical processes prior to receiving fittings.

Scopri come questo sito web utilizza i cookie per migliorare la tua esperienza di navigazione. Per saperne di più